Have a 2013 Cascadia, Purchased last year does not have factory mounted work lights on the back at all but has the utility light switch in the cab that lights up when flicked on. Would like to use that switch and put some lights up however not sure where the utility light wires are ran or the colors of the wires. Any insight or help would be greatly appreciated.
![]()
![]()
13 Cascadia Utility light diagram
Discussion in 'Freightliner Forum' started by ZacharyL, Dec 7, 2020.
-
-
Trucking Jobs in 30 seconds
Every month 400 people find a job with the help of TruckersReport.
-
For anyone to want to begin assisting you, you need last 6 of vin.
-
Last six of the VIN is FJ9756Last edited: Dec 8, 2020
-
Found the wire in the sam cab purple and white connector X3 and 7 just don't know where it is ran after the sam cab
-
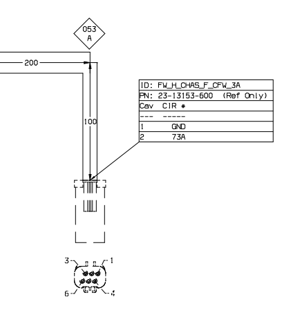
So this unit is in fact equipped with a Utility Lamp switch and parameter from factory. The MSF commands the SAMCAB to turn on CIRC 73A through the 19 pin deutsch pass-through connector on bulkhead.
That is located on the RHS firewall labeled as BHD_1B:
Pins 19 and 3 for CIRC 73A and GND respectively.
Which then connects to this 6 pin connector for pins 1 and 2:
Located here right next to your wiper motor:
Which then connects to a "CUSTOMER ACCESS CONNECTOR" 2 pin:
Now this is where it gets tricky as I cannot pinpoint where the EXACT location is of the two-pin connector because it is an optional commodity. I would suggest looking for the inside frame rail towards the rear. You are looking for PURPLE-WHITE stripe wire with a black GND.
The BOM has listed for "LAMP-EXTERIOR, UTILITY." Do you have lamps on the side of the lower fairing? The arrow on your picture, is there not a light back there on BOC?
At any rate, here are some wiring drawings none the less--please smash that thanks button.ZacharyL Thanks this. -
Thank you for the help, truck does not have lights on the side fairings that's what we would like to install but this definitely has gotten me farther will have to take a look
-
Would this happen to be it?
Attached Files:
RocketyMan Thanks this. -
-
BOOM! That's it! Looks like it is customer supplied after that point. Where did you find that? I'm curious myself...in the frame rail?
-
If you want to confirm that 73A circuit, you can lift the hood and on the left side of the firewall, you'll see that 6 pin connector right by the wiper motor that should also have the PURPLE-WHITE stripe wire in cavity 2.
-
Where did you find this? I’m trying to get my utility lamps working on my 2016 Freightliner. I changed the bulbs and that’s not issue. If you have any info on this please help. Thank you
Trucking Jobs in 30 seconds
Every month 400 people find a job with the help of TruckersReport.
