2002 Volvo D12 right turn light issue

Discussion in 'Trucks [ Eighteen Wheelers ]' started by Ciufero, Mar 2, 2019.

  1. HopeOverMope

    HopeOverMope Road Train Member

    1,801
    3,211
    Feb 25, 2016
    I-20 LOUISIANA
    0
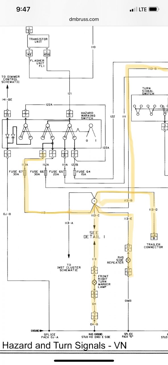
    9975DD81-FB8B-4BCC-B661-9C933632B105.jpeg It looks like fuse 67 and ground post 10 could play a part in this. As you can see, the front right turn lamp, right side repeater, and trailer connector are all part of that 113 circuit which runs to the turn signal switch and hazard signal switch.

    ...could also have to do with that trailer light maybe, since it made the relay go off... have you tested it with the trailer pigtail unhooked to see if it still does it on the truck side only?
     
    Last edited: Mar 3, 2019
    Ciufero Thanks this.
  2. Truckers Report Jobs

    Trucking Jobs in 30 seconds

    Every month 400 people find a job with the help of TruckersReport.

  3. Ciufero

    Ciufero Bobtail Member

    19
    2
    Dec 29, 2018
    0
    Yes I did tested it with trailer unhooked and i also disconnected trailer connector under the cab.... no luck
     
  4. Ciufero

    Ciufero Bobtail Member

    19
    2
    Dec 29, 2018
    0

    so it makes sense that only tail light is blinking (separate circuit) right? So I have 2 options:

    ground post 10 / do you know if sth else is hooked up to it so i can check if the other connection works?

    opt #2
    turn signal switch, is it the one with turn switch lever or separate?
     
  5. HopeOverMope

    HopeOverMope Road Train Member

    1,801
    3,211
    Feb 25, 2016
    I-20 LOUISIANA
    0
    I think the turn switch is built into the lever left of the steering wheel. There’s 6 ground posts under the hood on the firewall, three on each side, there’s a few in the cab by the pedals behind the cover. Not sure which one is post 10, I was looking last night.

    I may be the turn signal lever. I’m not sure, I would have to study the wire diagram more.
     
  6. HopeOverMope

    HopeOverMope Road Train Member

    1,801
    3,211
    Feb 25, 2016
    I-20 LOUISIANA
    0
    68086BA5-3212-4C97-849E-21D6BEC8004D.png Never mind looks like 3 and 9 are the turn signal switch’s. Maybe test there for power with the turn signal to the right.
     
  7. Ciufero

    Ciufero Bobtail Member

    19
    2
    Dec 29, 2018
    0
    mystery solved... it was the turn signal switch
     
    HopeOverMope Thanks this.
  8. HopeOverMope

    HopeOverMope Road Train Member

    1,801
    3,211
    Feb 25, 2016
    I-20 LOUISIANA
    0
    NICE!! thanks for the update
     
  • Truckers Report Jobs

    Trucking Jobs in 30 seconds

    Every month 400 people find a job with the help of TruckersReport.