Difference in 13 speeds?

Discussion in 'Heavy Duty Diesel Truck Mechanics Forum' started by mile marker 27, Mar 11, 2020.

  1. mile marker 27

    mile marker 27 Road Train Member

    1,419
    1,739
    Dec 4, 2019
    0
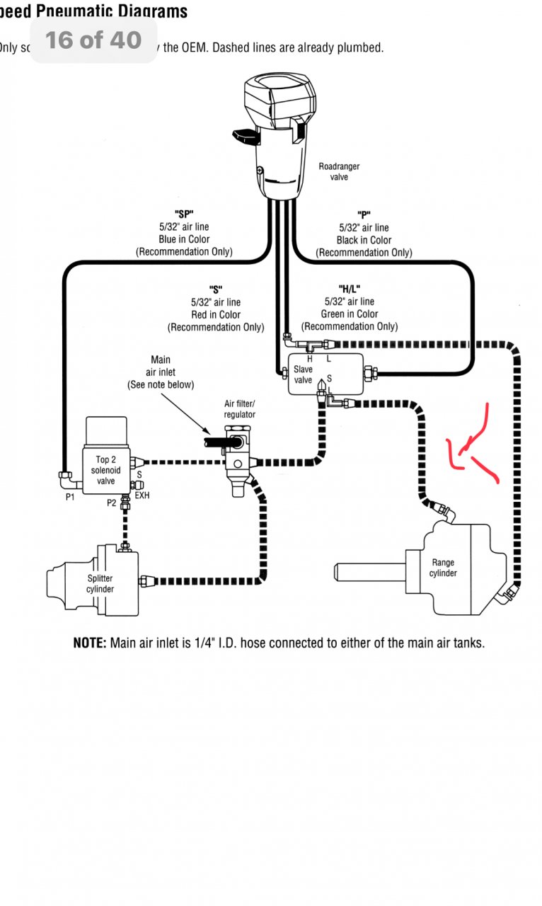
    So your arrows are pointed to the hoses on the slave box? I believe my slave box is located in the lower left of my transmission, right? There’s only two lines coming from yours and this is the one with only two lines from mine, but different diameter lines. The small line is a blue, I believe. Its my top pic. Ok you just answered that question in the previous post.
     
  2. Truckers Report Jobs

    Trucking Jobs in 30 seconds

    Every month 400 people find a job with the help of TruckersReport.

  3. mile marker 27

    mile marker 27 Road Train Member

    1,419
    1,739
    Dec 4, 2019
    0
    Why does mine have the plastic valve on the back and yours doesn’t?
     
  4. SmallPackage

    SmallPackage Road Train Member

    5,827
    18,681
    Dec 20, 2019
    Marion Texas
    0
    The top right cylinder is the range that is the one i arrowed. My engine exhaust runs above tranny under ply wood floor. That is the one you want to swap the big hoses on.
    The plastic valve in your way is the supply air pressure regulator and filter. It drops incoming psi down to 65psi from the brake system pressure of 120. Tranny valves work off of 60-65 psi and no more. Mine is mounted on the left side of the trans closer to the frame. Mfr. preference difference.
     
    mile marker 27 Thanks this.
  5. SmallPackage

    SmallPackage Road Train Member

    5,827
    18,681
    Dec 20, 2019
    Marion Texas
    0
    Maybe this will help. C5232D44-ED0E-4E0E-8EBD-6D269B86CFE7.jpeg See the H/L tee fitting? That is the slave valve. It is on the left side of trans towards the clutch housing. That is the green and you do want to cap it. The “P” now should go to the range port on knob. The red crappy arrows are the 2 big hoses to the range cylinder on top right of rear box. Swap those.
     
    mile marker 27 Thanks this.
  6. mile marker 27

    mile marker 27 Road Train Member

    1,419
    1,739
    Dec 4, 2019
    0
    Small Package, I sure enough appreciate all your time and knowledge.
     
    SmallPackage Thanks this.
  7. SmallPackage

    SmallPackage Road Train Member

    5,827
    18,681
    Dec 20, 2019
    Marion Texas
    0
    No problem partner. Pay it forward when you can. Hand.
     
  8. mile marker 27

    mile marker 27 Road Train Member

    1,419
    1,739
    Dec 4, 2019
    0
    Got it together and only thing different than we discussed, was the green line has to be plugged and black line hooked up but I think you originally stated that. What kind of plug do you suggest for that green line?
     
  9. SmallPackage

    SmallPackage Road Train Member

    5,827
    18,681
    Dec 20, 2019
    Marion Texas
    0
    Should just be a 1/8 pipe plug.
     
    mile marker 27 Thanks this.
  10. SmallPackage

    SmallPackage Road Train Member

    5,827
    18,681
    Dec 20, 2019
    Marion Texas
    0
  11. mile marker 27

    mile marker 27 Road Train Member

    1,419
    1,739
    Dec 4, 2019
    0
    A546047B-3F75-47E1-864E-C5AD0A58E0F1.jpeg
     
  • Truckers Report Jobs

    Trucking Jobs in 30 seconds

    Every month 400 people find a job with the help of TruckersReport.