Discussion in 'Western Star Forum' started by Road*Runner, May 1, 2020.
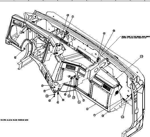
Is there a pictoral view available for a 2001 4964EX dash? VIN #968056
Every month 400 people find a job with the help of TruckersReport.
Without your consent employers will not be able to contact with job offers, would you like to opt-in now?
Zip
Class A CDL Experience Please Select... I Need CDL Training In CDL School Now CDL Grad, No Experience 1-5 Months 6-11 Months 1 Year 2 Years 3 Years 4 Years 5+ Years
Please select ALL of your current, valid driver’s licenses
Please select the number of verifiable months you’ve been driving professionally using your Class A CDL within the last 3 years.
Each company we work with has specific experience requirements for their drivers. In order for you to receive the best possible offers, please make sure your answers above are accurate prior to submitting.
Name
Email
Phone
Different truck...create a new thread.